消防車廠家湖北新東日來說說水罐消防車的消防炮配置
21-11-01 ? 來源:湖北新東日專用汽車有限公司
水罐消防車是**常用的消防車車型,從2噸到25各個噸位的車型均有,一般都配有消防炮,好多人不知道消防車上的消防炮是怎樣配置的
下面消防車廠家湖北新東日專用汽車有限公司為大家介紹下常用的水罐消防車的消防炮配置:
一般2-3噸水罐消防車配置20消防炮,4-5噸消防車配置30消防炮,6-8噸配置40消防炮,8噸以上消防車配置50消防炮。
下面是我們新東日專汽2-10噸水罐消防車各個型號的消防炮詳細圖解:
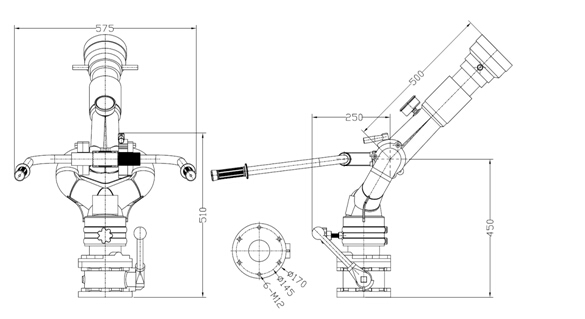
20型的消防炮圖解

20型的消防炮詳細圖解

20型的消防炮詳細圖解
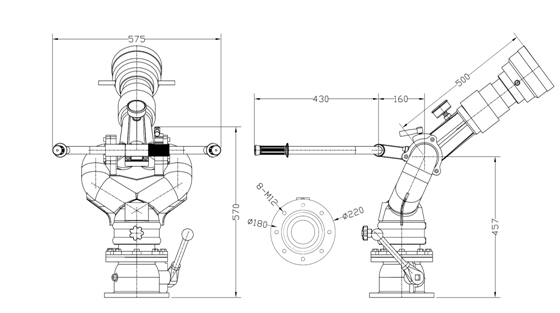
30-40型消防炮詳細圖解

30-40型消防炮詳細圖解

30-40型消防炮詳細圖解
50型的消防炮詳細圖解

50型消防炮詳細圖解

50型消防炮詳細圖解
